新闻中心

专业从事电子元器件代理、贸易及相关集成电路研发服务的高新科技公司

由于LDO具有高增益

作者:UED  日期:2026-02-04  浏览:  来源:UED官网

  作为电子系统中必不可少的部分,电源模块极最常见,同时也是极考验硬件工程师功力的部分之一。电源模块是电子系统中对电能实现转换、分配、控制和监测等功能的子系统,整个电子系统的功耗、性能、成本和体积都与电源模块设计直接相关。现代大型电子系统正在向高集成、高速、高增益、高可靠性方向发展,电源上的微小干扰都会对电子设备性能产生影响,这就需要设计出低噪声、抗纹波能力强的电源模块;而在便携式设备中,电池供电情况越来越多,这就对续航时间提出了高要求,这通常对应着其电源模块高效、高可靠和低静态电流的极致要求。

  总之,电源模块设计是电子系统性能发挥的基础,只有做好系统的电源模块设计之后,才有机会去追求性能和稳健地实现系统的所有功能。而电源模块设计极为重要的就是如何选合适的芯片和技术方案。通常,根据电源模块中各个支路的情况,确定输入和输出电压差,然后根据应用需求,在效率指标、散热限制、噪声要求、系统复杂性和成本等多个条件约束下,就能选出最合适的电源芯片,然后根据选定的电源芯片来实现相应的电源转换与分配的功能。

  根据应用场景,电源模块可以分为交流到直流(AC-DC)转换电源模块和直流到直流(DC-DC)转换电源模块,其中AC-DC电源模块通常用于直接用市电的设备,而DC-DC电源模块则只能接入直流电源,然后在直流电源输入的基础上去分压或升压,为系统各模块供应所需的电压和电流。

  而根据工作原理上,电源芯片可分为线性电源芯片和开关电源芯片。线性电源也被称为低压差线性稳压器(Low Drop Out Regulator,简称LDO)芯片,其原理是通过晶体管压降来调节输出电压,只能实现降压输出,无法实现升压输出,与开关电源芯片相比,LDO通常具有体积小、噪声低、使用方便等特点。

  开关电源芯片采用脉宽调制(PWM)方式工作,可实现升降压输出,而且效率高、功耗低,但由于采用PWM方式工作,所以会产生电磁干扰(EMI),因而通常噪声也比相对应的LDO要大。

  按实现方法,开关电源可分为两类,即电感式DC-DC电源芯片与基于开关电容的DC-DC变换器(即电荷泵式DC-DC芯片)。电荷泵式DC-DC芯片采用电容作为开关和储能元件,与电感式DC-DC电源芯片相比,具有效率高、体积小、静态电流低、输出电压调节范围宽、Vmin低、噪声低和EMI低等优点,而且电容比电感更易于集成,因而电荷泵式电源芯片可以实现更高集成度。在小功率应用中,电荷泵式DC-DC开关电源芯片具有很大优势,但电荷泵式电源芯片不适合高电压、大功率场景,因而在高功率应用中,电感式DC-DC电源芯片还居于主导地位。

  在有高性能处理器、大型FPGA等大芯片的复杂系统中,由于电流消耗可达数安培到几十安培,通常需要组合使用开关电源和LDO。复杂系统中易受干扰的模拟电路,通常由LDO芯片来供电;且数字部分因为电流大因而对效率要求高,而数字电路本身抗干扰性更强,因此更适合用开关电源来供电。开关电源、LDO和各种保护器件与被动元件的组合,构建起了复杂系统的电源分布式体系。

  总之,LDO和开关电源是所有电子设备中电源模块的核心,电子系统发展也对电源芯片提出了更高要求,研发人员不断尝试更新的制造工艺、封装技术与电路拓扑,以达到更极致的性能或体积、成本等其他指标。下面我们就从电源芯片的发展趋势来看一看该如何选择合适的电源芯片。

  手机(含智能手机和功能机)每年出货量近20亿部,笔记本电脑每年出货量过亿台,而随着物联网技术发展,越来越多的电池供电设备接入网络,这些设备典型工作状态为短暂激活,相对较长时间休眠,通常需要在不更换电池的情况下,工作一整年,甚至三到五年。此类应用对电源芯片提出极高要求,既要有极低的静态电流,以保持轻载或无负载时的电源效率,满足设备对电池供电长续航时间的要求,又得满足重负载情况下系统对供电能力的要求,要做好并不容易。

  贸泽电子在售的来自制造商Analog Devices(ADI)的LT3009,就是一款可以同时满足微安(uA)级静态工作电流与20毫安(mA)大驱动能力的LDO芯片。具体来看,LT3009无负载静态电流为3uA,可以在280mV压差(输入/输出)情况下提供20mA输出电流,输入电压范围为1.6V至20V,输出电压范围为0.6V至19.5V。此外,LT3009仅需要1uF的电容就可以保证输出电源的稳定性和瞬时响应,内部集成了限流、限温、电池接反保护和反向电流保护等防护功能,可有效保证便携设备的用电安全。

  总体来看,LT3009非常适合既需要超低待机功耗,又能支持中等强度驱动能力的应用场景,除了常见的手持设备,还可用于气表、水表和门禁等应用。LT3009在节能方面尤其出色,负载增加时,接地脚的电流永远不超过输出电流的5%,而在关机时,静态电流低于1uA。

  降低EMI(电磁干扰)主要针对开关电源芯片(Switch Regulator)。开关电源芯片由于工作在脉宽调制状态,开关频率多为几百KHz到数MHz,甚至更高,因而开关电源本身是干扰源。如果开关电源电路在实现时参数设置不理想,将会加重其发出的电磁干扰,有时候设备电磁兼容性测试通不过,可能就因为开关电源部分没处理好。

  在设备电路板上降低EMI的方法主要有加屏蔽或加滤波(电路可改造),降低开关波形上升斜率,如果芯片具备展频功能则还可以打开展频功能,以及修改PCB走线。总体上板级优化EMI的方法都有代价,例如增加成本或者影响电源性能。最好的解决方法,是开关电源芯片本身充分考虑了板级实现时的电磁干扰问题,在芯片级将EMI问题解决掉,成本低,系统性能也不会受到影响。

  ADI的Silent Switcher技术,即在芯片级大幅改善了开关电源的EMI表现,从而可以在不影响电源性能的前提下有效地降低EMI,而且不增加外部元器件,是一种简单高效的低成本解决方法。

  图3:传统电流回路拓扑(左)与Silent Switcher拓扑(右)(图源:ADI)

  在原理上,ADI的Silent Switcher技术将形成两个对称分布的电流回路,这两个回路产生的磁场方向相反,因而能量相互抵消,从而模块电气回路对外没有净磁场。所以,Silent Switcher技术无须降低晶体管开关速度,解决了EMI和效率之间的互斥问题。

  此外,Silent Switcher技术采用铜柱倒装封装工艺,可以大幅降低芯片管脚寄生阻抗,因此不仅可以减小EMI,还可以提升开关电源的效率。

  如今,Silent Switcher已经发展到了第二代,例如LT8650S即采用第二代Silent Switcher技术,与第一代Silent Switcher相比,将两个外部匹配电容集成到芯片内部,即减少了外部元件,又同时可缩小回路面积,降低EMI,改善了对PCB的适应性,硬件工程师在采用LT8650S设计电路时自由度更高。

  Silent Switcher 2将回路电容集成到芯片内部,设计更简单(右)(图源:ADI)

  除了EMI,在医疗电子、精密仪器设备、高精度电源与通信基础设施等应用中,对于电源芯片本身噪声和电源纹波抑制比(PSRR)要求也非常高,因为在这些应用中,通常有易敏感电路模块,例如ADC、DAC电路、精密放大器、高频振荡器、时钟和PLL等,如果电源不干净,这些易敏感电路的性能会大受影响,由于敏感电路对于噪声要求高,所以通常该模块只能由抑制噪声更出色的LDO芯片来供电。随着市场应用的变化,敏感精密电路技术持续发展,不断推动精密LDO电源芯片在更低噪声、更高精度方向更进一步。

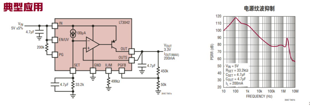
  LDO的噪声来自两部分,内部噪声及外部噪声。内部噪声主要有热噪声和1/f噪声,这两种噪声与LDO设计和半导体工艺相关。外部噪声有很多来源,常见的是LDO输入电源(通常是由开关电源芯片输出来供电)的噪声。由于LDO具有高增益,可以确保良好的线路和负载调整性能,因此它能够衰减来自输入电源的噪声和纹波,这就是LDO的电源纹波抑制比,由于LDO带宽有限,因此其PSRR随着频率提高而降低。LDO带宽之外的噪声无法通过LDO本身进行衰减,需要利用无源滤波器来降低。

  图8:LT3042的典型应用电路(左)和PSRR参数(右)(图源:ADI)

  LT3042在0至15V的宽输出电压范围内,可提供几乎恒定的内部噪声、PSRR、带宽和负载调整率,这些参数与输出电压无关,非常适合作为高精度电流基准,并可以通过级联来进一步降低噪声。

  前面说的都是小功率应用,在大功率应用中,同样少不了电源芯片。而大功率应用相比小功率应用有附加的要求,即隔离。隔离的功能是切断电子系统中的大电流、高电压模块与小电流、低电压模块之间的直接回路,通过耦合的方式来传递控制信号,以实现对操作人员及低压电路模块的保护,并减少高压大电流模块对低压电路部分的干扰。

  光耦隔离是较传统的隔离方法,但光耦隔离方案存在不少弊端,例如易老化、速度慢和功耗高等。但在数字隔离技术出现之前,光耦是极为合适的隔离方案。在1990年代末期,数字隔离技术开始产业化,由于其在尺寸、速度、功耗、易用性和可靠性方面具有光耦合器所无法比拟的巨大优势,因而一推出就广受市场好评。

  其中ADI是数字隔离技术的领导厂商之一,凭借其iCoupler数字隔离芯片和uModule BGA数字隔离技术,已经出货超过30亿个隔离通道。贸泽电子在售的ADUM6421A就是一款集成了四个iCoupler开关键控(OOK)数字隔离通道和iCoupler芯片级isoPower变压器技术的DC/DC开关电源芯片,利用ADI的技术,可支持在500mW隔离电源中实现小尺寸集成式、增强隔离信号和电源解决方案。

  小型化是当前电源模块技术发展的主要方向之一,小型化可以减少占用PCB面积,减少设备重量,方便设备集成更多功能,电源芯片或模块小型化对于硬件工程师而言意义重大。但小型化意味着高功率密度,即同样体积提供更多功率输出,这就要求电源芯片具备更高的转换效率与更好的散热性能。

  研发人员通过应用四个方向的技术来满足电源小型化需求。首先,采用更好的半导体工艺来降低芯片本身散发出来的热量;其次,采用创新线路拓扑与结构,以降低对外部无源器件的要求,从而用小尺寸无源器件也能满足系统要求;第三,创新的封装技术以增强电源芯片散热能力;最后,通过异质集成来减少寄生参数和芯片尺寸。

  ADI在这几个方向都有很突出的表现。一个典型案例是对低压大电流FPGA芯片供电方案的改进。在2010年,对需要100A电流的FPGA,ADI需要12片LTM4601;到2012年,4片LTM4620并联,就可以输出100A电流;2014年推出的LTM4630则只需要3片并联,即可输出100A电流;2016年推出的LTM4650仅需2片,就能满足百安电流供电。但这还不是重点,如今ADI已经推出的LTM4700实现了单片供电100A。

  LTM系列进化史,在封装技术上的演进就特别明显,从普通塑料封装,到加入金属散热衬底,再到发展出自己的元件封装(Component on Package,简称CoP)。CoP这是一种立体封装技术,该技术将大功率电源芯片外配的电感通过封装技术放置于芯片上方,将其作为散热器于气流中,这样既不占用PCB面积,又提升了散热性能,从而可以提高功率密度。

  电子设备日新月异,推动电源技术不断发展,电子设备对安全节能、便携易用与性能等的共性要求,反馈到电源芯片上,就需要芯片研发人员开发出更高效能、更低功耗、更智能化的绿色电源芯片,以实现更高功率密度、更长电池寿命、更低EMI干扰、更优电源和信号完整性以及高压下的安全性等目标,推动着电源芯片研发人员持续创新。反过来,电源芯片技术的不断创新,也给电子设备研发人员更多激励和资源,给了工程师做电源设计时更多选择,从而可以把这些新技术应用到极致。

上一篇:易冲无线(CPS)作为一家专注于无线充电领域的 下一篇:劲芯微团队是国内无线充电行业的一匹黑马

网站地图